Product Summary
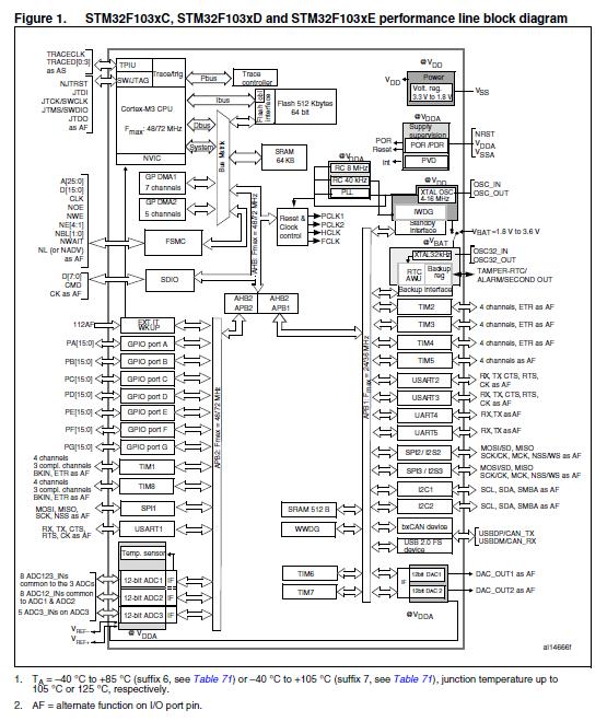
The STM32F103ZET6 performance line incorporates the high-performance ARM Cortex-M3 32-bit RISC core operating at a 72 MHz frequency, high-speed embedded memories (Flash memory up to 512 Kbytes and SRAM up to 64 Kbytes), and an extensive range of enhanced I/Os and peripherals connected to two APB buses. The STM32F103ZET6 offers three 12-bit ADCs, four general-purpose 16-bit timers plus two PWM timers, as well as standard and advanced communication interfaces: up to two I2Cs, three SPIs, two I2Ss, one SDIO, five USARTs, an USB and a CAN. The applications of the STM32F103ZET6 include Motor drive and application control, Medical and handheld equipment, PC peripherals gaming and GPS platforms, Industrial applications, PLC, inverters, printers, and scanners, Alarm systems, video intercom, and HVAC.
Parametrics
STM32F103ZET6 absolute maximum ratings: (1)Electrostatic discharge voltage (human body model): 2000 V at TA = +25 ℃, conforming to JESD22-A114; (2)Electrostatic discharge voltage (charge device model): 500 V at TA = +25 ℃, conforming to JESD22-C101.
Features
STM32F103ZET6 features: (1)Core: ARM 32-bit Cortex.-M3 CPU: 72 MHz maximum frequency, 1.25 DMIPS/MHz (Dhrystone 2.1) performance at 0 wait state memory access, Single-cycle multiplication and hardware division; (2)Memories: 256 to 512 Kbytes of Flash memory, up to 64 Kbytes of SRAM, Flexible static memory controller with 4 Chip Select. Supports Compact Flash, SRAM, PSRAM, NOR and NAND memories, LCD parallel interface, 8080/6800 modes; (3)Clock, reset and supply management: 2.0 to 3.6 V application supply and I/Os, POR, PDR, and programmable voltage; (4)detector (PVD), 4-to-16 MHz crystal oscillator, Internal 8 MHz factory-trimmed RC, Internal 40 kHz RC with calibration, 32 kHz oscillator for RTC with calibration.
Diagrams

| Image | Part No | Mfg | Description | ![]() |
Pricing (USD) |
Quantity | ||||||||||||
|---|---|---|---|---|---|---|---|---|---|---|---|---|---|---|---|---|---|---|
![]() |
![]() STM32F103ZET6 |
![]() STMicroelectronics |
![]() ARM Microcontrollers (MCU) 32BIT Cortex M3 Performance LINE |
![]() Data Sheet |
![]()
|
|
||||||||||||
![]() |
![]() STM32F103ZET6TR |
![]() STMicroelectronics |
![]() ARM Microcontrollers (MCU) 32BIT Cortex M3 High-density |
![]() Data Sheet |
![]()
|
|
||||||||||||
(China (Mainland))









